焊接在钢结构工程中的地位非常重要,焊接质量也直接影响着钢结构的工程质量。设计文件中应根据钢结构的重要性、荷载特性、焊缝形式、工作环境以及应力状态等给出明确合理的焊缝质量等级,不应过低,也不宜过高。过低不利于对工程质量的控制过高对焊接作业要求高、工作量大,表 2-2-4 给出了不同焊缝质量等级的检测要求。可见,不同的焊缝质量等级,检测工作量相差很大,检测费用相差悬殊。
确定焊缝质量等级需要考虑的影响因素主要有应力状态、疲劳要求、工作环境的温度以及是否存在高应力下的低周疲劳等。执行上述规定时也要注意,厚度小于8mm钢板的对接焊缝,超声波检测结果不大可靠,应采用X射线探伤。否则,对于厚度小于 8mm 钢材的对接焊缝,其焊缝设计值只能按三级焊缝采用。关于焊缝的质量等级《钢结构设计标准》GB 50017-2017、《高层民用建筑钢结构技术规程》JGJ99-2015 以及《钢结构工程施工质量验收标准》GB50205-2020等均有涉及,表2-2-5对各规范中焊缝质量等级的规定进行了汇总和归并,便于对照使用。
《高层民用建筑钢结构技术规程》JGJ99-2015 考虑低周疲劳因素,将柱与柱的拼接节点、外露式柱脚的柱身与底板的连接、梁柱刚接时梁翼缘与柱的连接以及伸臂桁架等重要受拉构件的拼接处焊缝定为一级焊缝,其他多数情况下,二级焊缝是可以满足要求的。
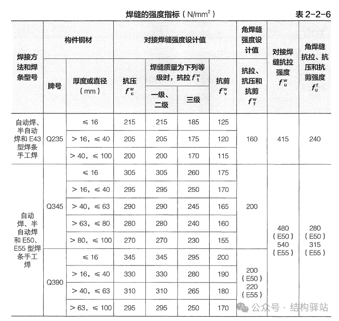
从设计角度,一级、二级对接焊缝抗拉强度完全一样,没有差别,但检测数量则相差很多,见表2-2-6。三级焊缝检测要求低,主要是不适合探伤,探伤结果也会显示有缺陷,只能进行外观检查。为保证安全,设计强度取值与一级、二级相比降低大约 15%,从某种意义上说已经考虑了质量因素。
焊缝质量检查有两种:第一种是工厂检查,是制造厂自己的检查,从严控制,因为构件出场后检查不合格、返修难度大;第二种是现场检查。现场检查是抽查,是构件拉到现场后,在工厂自查基础上的检查。一般按二级检查足可以达到检查目的,即便是抽查发现不合格的,可以扩大抽检,不合格焊缝漏网的概率不大,焊缝质量可以得到保证。
更多关于焊接、智能焊接相关信息请登录大熊星座智能科技官方网站:www.uma.net.cn
大熊星座成立于2019年12月,是一家专注于整体智能焊接解决方案的科技型公司,公司是陕西省智能机器人创新中心依托单位。以工艺决策模型为核心,自主研发了行业首款智能焊接决策平台产品-UMATIC,此产品可解决非标集成装备交付过程中人工开发周期长、成本高、高难度、高附加值场景无法应用等问题,当下已完成了船舶建造、海洋工程、重型钢结构等产业多个核心环节、场景下的验证。并通过整体解决方案、UMATIC标准品售卖、已交付装备升级服务三种模式,完成了多个行业头部终端客户的交付验证,包括中国船舶集团、招商局集团、中远海运集团、中国中铁集团、中集集团等。
公司始终坚持与行业各头部集成商、终端企业合作,积极探索不同场景下机器人智能焊接的发展思路和实现手段,着眼高要求、难度大的“无人区”场景,是多家央企首台套的缔造者。
